MINH CHỨNG VỀ ĐỘ TIN CẬY SẢN PHẨM MÁY THỔI KHÍ TOHIN
- Tohin là một trong những nhà sản xuất máy thổi khí lớn nhất Nhật Bản với bề dày kinh nghiệm hơn 70 năm.
- Tohin đã cung cấp số lượng lớn máy thổi khí từ công suất loại nhỏ đến lớn rộng khắp Nhật Bản và toàn Châu Á. Sản phẩm của tập đoàn Tohin được sản xuất dưới sự quản lý chất lượng nghiêm ngặt, đồng thời độ ngũ R&D dày dạn kinh nghiệm luôn nghiên cứu và cải tiến sản phẩm không ngừng nghỉ để có thể đáp ứng từng yêu cầu khác nhau của tất cả khách hàng.
- Độ bền cao, đặc biệt độ ồn thấp khi vận hành là kết quả của việc ứng dụng kinh nghiệm công nghệ độc quyền của chúng tôi. Sản phẩm phù hợp sử dụng cho hệ thống xử lý nước thải sinh hoạt, công nghiệp nhỏ và vừa, các dự án gần khu dân cư.., có yêu cầu cao về độ ồn của máy khi hoạt động.
- Với gần 5 triệu máy đã được bán ra tại thị trường Nhật Bản là minh chứng cho chất lượng sản phẩm và sức mạnh thương hiệu Tohin.
CƠ CHẾ HOẠT ĐỘNG

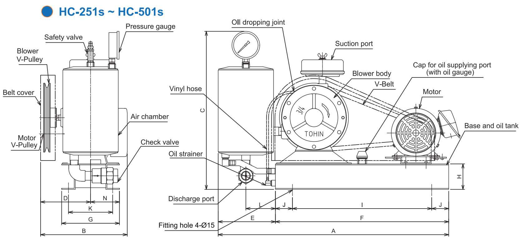
- Máy thổi cánh gạt của Tohin bao gồm các bộ phận chính như Thân máy, Mô tơ, Bình khí, Bộ lọc khí, Đế (có bình chứa dầu) và Vòi nhỏ giọt dầu. Cấu trúc đơn giản này góp phần kéo dài tuổi thọ và vận hành mượt mà.
- Rotor gồm có bốn cánh gạt được lắp đặt quay lệch tâm trong xi lanh để hút, nén và xả khí. Đây là cơ chế cơ bản của máy thổi khí.
- Trong quá trình máy chạy, dầu bôi trơn lưu thông và cung cấp liên tục cho cánh gạt qua ống nhỏ giọt dầu. Dầu bôi trơn hoạt động không chỉ có tác dụng giảm âm thanh và ma sát nhiệt khi máy hoạt động, mà còn giữ độ kín khí cao trong xi lanh giảm thiểu lượng hao hụt khí.

ĐẶC TÍNH SẢN PHẨM
- So sánh độ ồn với dòng Roots, dòng HC nhỏ không cần bố trí phòng cách âm riêng, dòng HC lớn hơn cũng không cần thùng cách âm khi lắp đặt trong phòng riêng nhờ vận hành êm ái
- Hệ thống dầu bôi trơn độc đáo tiêu thụ ít dầu không gây rò gỉ.
- Chi phí lắp đặt thấp cùng thiết kế tiết kiệm năng lượng.
- Độ bền bỉ theo thời gian không bị ảnh hưởng đến lưu lượng và cột áp
- Mô tơ và thân máy thổi khí riêng biệt giúp dễ dàng nâng cấp cũng như bảo trì
Độ ồn khi vận hành

Thông số kỹ thuật







